Product Summary
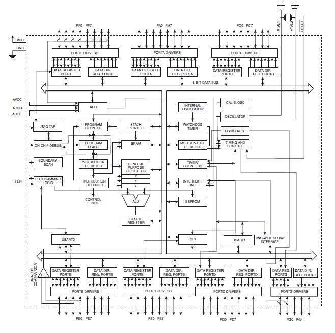
The ATMEGA128-16AU is a low-power CMOS 8-bit microcontroller based on the AVR enhanced RISC architecture. By executing powerful instructions in a single clock cycle, the ATMEGA128-16AU achieves throughputs approaching 1 MIPS per MHz allowing the system designer to optimize power consumption versus processing speed.
Parametrics
ATMEGA128-16AU maximum ratings: (1)VPP Programming Enable Voltage: 11.5 12.5 V; (2)IPP Programming Enable Current: 250 μA; (3)tDVXH Data and Control Valid before XTAL1 High: 67 ns; (4)tXLXH XTAL1 Low to XTAL1 High: 200 ns; (5)tXHXL XTAL1 Pulse Width High: 150 ns; (6)tXLDX Data and Control Hold after XTAL1 Low: 67 ns; (7)tXLWL XTAL1 Low to WR Low: 0 ns.
Features
ATMEGA128-16AU features: (1)High-performance, Low-power AVR8-bit Microcontroller; (2)Advanced RISC Architecture; (3)Nonvolatile Program and Data Memories; (4)JTAG (IEEE std. 1149.1 Compliant) Interface; (5)Peripheral Features; (6)Special Microcontroller Features; (7)Operating Voltages: 2.7 - 5.5V for ATmega128L; 4.5 - 5.5V for ATmega128; (8)Speed Grades: 0 - 8 MHz for ATmega128L; 0 - 16 MHz for ATmega128.
Diagrams

| Image | Part No | Mfg | Description | ![]() |
Pricing (USD) |
Quantity | ||||||||||||
|---|---|---|---|---|---|---|---|---|---|---|---|---|---|---|---|---|---|---|
![]() |
![]() ATmega128-16AU |
![]() Atmel |
![]() 8-bit Microcontrollers (MCU) 128kB Flash 4kB EEPROM 53 I/O Pins |
![]() Data Sheet |
![]()
|
|
||||||||||||
![]() |
![]() ATMEGA128-16AUR |
![]() Atmel |
![]() 8-bit Microcontrollers (MCU) AVR 128KB FLASH 4KB EE 4KB SRAM,5V |
![]() Data Sheet |
![]()
|
|
||||||||||||
(Hong Kong)










