Product Summary
The MIG30J103H is a silicon N channel IGBT.
Parametrics
MIG30J103H absolute maxing ratings: (1)VCC supply voltage P-N: 400V; (2)VCES collector-emitter voltage: 600V; (3)±IC collector current(DC) Tc=25℃: 30A; (4)Pc collector power dissipation Tc=25℃: 83W; (5)Tj junction temperature: 150℃; (6)VD supply voltage: 20V; (7)VIN input voltage VIN=VD: 20V; (8)VFO foul output voltage VFO=VD: 20V; (9)IFO foul output current: 7mA; (10)Tc operating temperature: -20~+100℃; (11)Tstg storage temperature range: -40~+125℃; (12)VISO isolation voltage AC, Imin: 2500Vrms; (13)Screw torque M5: 2N.m.
Features
MIG30J103H features: (1)Intelligent power module that include IGBT drive circuits, overcurrent, undervoltage lockout, and overtemperature protection; (2)The electrodes are isolated from case; (3)High speed type IGBT: VCE(sat)=2.7V(MAX), toff=2.0μs(MAX), trr=0.25μs(MAX); (4)Outline: TOSHIBA 2-99ELA; (5)Weight: 80g.
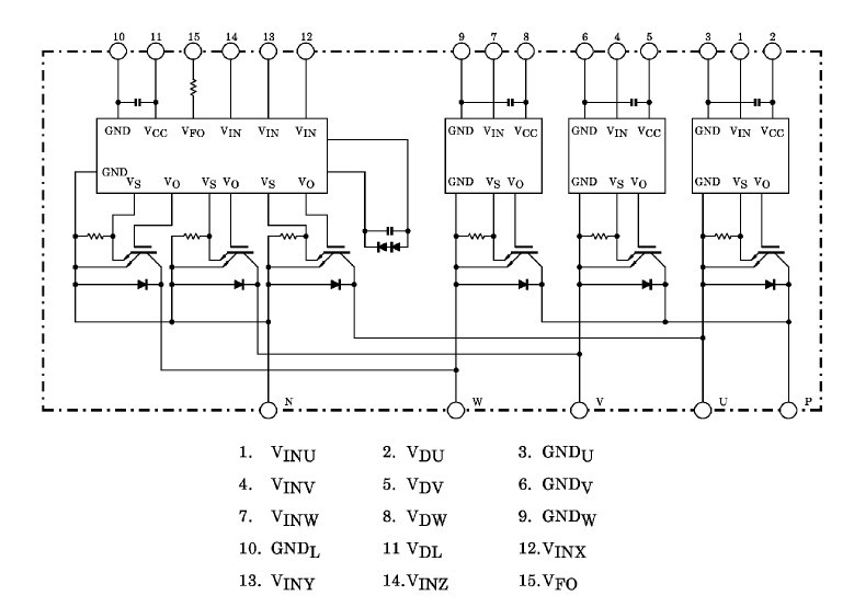
Diagrams

| Image | Part No | Mfg | Description | ![]() |
Pricing (USD) |
Quantity | ||||
|---|---|---|---|---|---|---|---|---|---|---|
![]() |
![]() MIG30J103H |
![]() Other |
![]() |
![]() Data Sheet |
![]() Negotiable |
|
||||
![]() |
![]() MIG30J103HB |
![]() Other |
![]() |
![]() Data Sheet |
![]() Negotiable |
|
||||
(Hong Kong)









