Product Summary
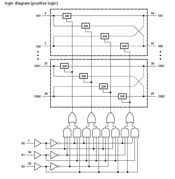
The SN74CBTLV16212GR is a low-voltage 24-bit FET bus-exchange switch. It provides 24 bits of high-speed bus switching or exchanging. The low on-state resistance of the switch allows connections to be made with minimal propagation delay. The SN74CBTLV16212GR operates as a 24-bit bus switch or a 12-bit bus exchanger, which provides data exchanging between the four signal ports via the data-select (S0, S1, S2) terminals. The SN74CBTLV16212GR is fully specified for partial-power-down applications using Ioff. The Ioff feature of SN74CBTLV16212GR ensures that damaging current will not backflow through the device when it is powered down. The device has isolation during power off.
Parametrics
SN74CBTLV16212GR absolute maximum ratings: (1)Supply voltage range, VCC: -0.5 V to 4.6 V; (2)Input voltage range, VI: -0.5 V to 4.6 V; (3)Continuous channel current : 128 mA; (4)Input clamp current, IIK (VI < 0): -50 mA; (5)Package thermal impedance, θJA: DGG package: 64℃/W, DGV package: 48℃/W, DL package: 56℃/W; (6)Storage temperature range, Tstg: -65℃ to 150℃.
Features
SN74CBTLV16212GR features: (1)Member of the Texas Instruments Widebus Family; (2)4-Ω Switch Connection Between Two Ports; (3)Rail-to-Rail Switching on Data I/O Ports; (4)Ioff Supports Partial-Power-Down Mode Operation; (5)Break-Before-Make Feature; (6)Latch-Up Performance Exceeds 100 mA Per JESD 78, Class II; (7)ESD Protection Exceeds JESD 22: 2000-V Human-Body Model (A114-A), 200-V Machine Model (A115-A).
Diagrams

| Image | Part No | Mfg | Description | ![]() |
Pricing (USD) |
Quantity | ||||||||||||
|---|---|---|---|---|---|---|---|---|---|---|---|---|---|---|---|---|---|---|
![]() |
![]() SN74CBTLV16212GR |
![]() Texas Instruments |
![]() Multiplexer Switch ICs 24bit Lw V FET |
![]() Data Sheet |
![]()
|
|
||||||||||||
| Image | Part No | Mfg | Description | ![]() |
Pricing (USD) |
Quantity | ||||||||||||
![]() |
![]() SN7400 |
![]() Other |
![]() |
![]() Data Sheet |
![]() Negotiable |
|
||||||||||||
![]() |
![]() SN7400D |
![]() Texas Instruments |
![]() Gates (AND / NAND / OR / NOR) Quad 2-input Positive-NAND gates |
![]() Data Sheet |
![]()
|
|
||||||||||||
![]() |
![]() SN7400DE4 |
![]() Texas Instruments |
![]() Gates (AND / NAND / OR / NOR) Quad 2-input Positive-NAND gates |
![]() Data Sheet |
![]()
|
|
||||||||||||
![]() |
![]() SN7400DG4 |
![]() Texas Instruments |
![]() Gates (AND / NAND / OR / NOR) Quad 2-input Pos- NAND |
![]() Data Sheet |
![]()
|
|
||||||||||||
![]() |
![]() SN7400DR |
![]() |
![]() IC QUAD 2IN POS-NAND GATE 14SOIC |
![]() Data Sheet |
![]() Negotiable |
|
||||||||||||
![]() |
![]() SN7400DRE4 |
![]() |
![]() IC QUAD 2IN POS-NAND GATE 14SOIC |
![]() Data Sheet |
![]() Negotiable |
|
||||||||||||
(Hong Kong)










