Product Summary
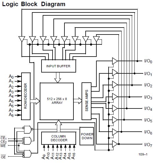
The CY7C109-20VC is a high-performance CMOS static RAM. It is organized as 131,072 words by 8 bits. Easy memory expansion is provided by an active LOW chip enable (CE1), an active HIGH chip enable (CE2), an active LOW output enable (OE), and three-state drivers. Writing to the CY7C109-20VC is accomplished by taking chip enable one (CE1) and write enable (WE) inputs LOW and chip enable two (CE2) input HIGH. Data on the eight I/O pins (I/O0 through I/O7) is then written into the location specified on the address pins (A0 through A16). The CY7C109-20VC is available in standard 400-mil-wide SOJ and 32-pin TSOP type I packages. The CY7C109-20VC is available in a 300-mil-wide SOJ package. It is functionally equivalent in all other respects.
Parametrics
CY7C109-20VC absolute maximum ratings: (1)Storage Temperature: –65 to +150℃; (2)Ambient Temperature with Power Applied: –55 to +125℃; (3)Supply Voltage on VCC to Relative GND: –0.5V to +7.0V; (4)DC Voltage Applied to Outputs, in High Z State: –0.5V to VCC + 0.5V; (5)DC Input Voltage: –0.5V to VCC + 0.5V; (6)Current into Outputs (LOW): 20 mA; (7)Static Discharge Voltage: >2001V; (8)Latch-Up Current: >200 mA.
Features
CY7C109-20VC features: (1)High speed: tAA = 10 ns; (2)Low active power: 1017 mW (max., 12 ns); (3)Low CMOS standby power: 55 mW (max.), 4 mW (Low power version); (4)2.0V Data Retention (Low power version); (5)Automatic power-down when deselected; (6)TTL-compatible inputs and outputs; (7)Easy memory expansion with CE1, CE2, and OE options.
Diagrams

![]() |
![]() CY7C006 |
![]() Other |
![]() |
![]() Data Sheet |
![]() Negotiable |
|
||||||||||||
![]() |
![]() CY7C006A |
![]() Other |
![]() |
![]() Data Sheet |
![]() Negotiable |
|
||||||||||||
![]() |
![]() CY7C006A-15AXC |
![]() Cypress Semiconductor |
![]() SRAM 5V 16Kx8 COM Dual Port SRAM |
![]() Data Sheet |
![]() Negotiable |
|
||||||||||||
![]() |
![]() CY7C006A-15AXCT |
![]() Cypress Semiconductor |
![]() SRAM 5V 16Kx8 COM Dual Port SRAM |
![]() Data Sheet |
![]() Negotiable |
|
||||||||||||
![]() |
![]() CY7C006A-20AC |
![]() |
![]() IC SRAM 16KX8 DUAL 64LQFP |
![]() Data Sheet |
![]() Negotiable |
|
||||||||||||
![]() |
![]() CY7C006A-20AXC |
![]() Cypress Semiconductor |
![]() SRAM 5V 16Kx8 COM Dual Port SRAM |
![]() Data Sheet |
![]()
|
|
||||||||||||
(Hong Kong)










