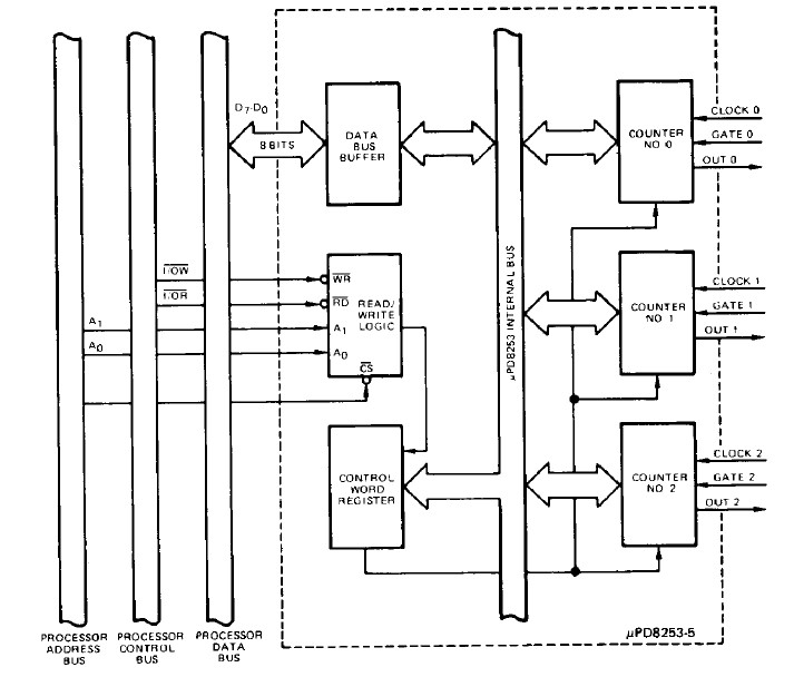
Product Summary
The D8253C-2 is a programmable interval timer. The application of the D8253C-2 are: Programmable baud rate generator. Event counter. Binary rate multiplier. Real time clock. Digital one-short. Comlex motor controller.
Parametrics
D8253C-2 absolute maximum ratings: (1)Operating temperature: 0 to +70℃; (2)Storage temperature: -65 to 150℃; (3)Voltage on any pin: -0.5 to +7 V.
Features
D8253C-2 features: (1)Three independent 16 bit counters; (2)Clock rate: DC to 5MHz; (3)Binary count or BCD; (4)Single +5V power supply, ±10%.
Diagrams

![]() |
![]() D8254 |
![]() Other |
![]() |
![]() Data Sheet |
![]() Negotiable |
|
||||
(Hong Kong)








