Product Summary
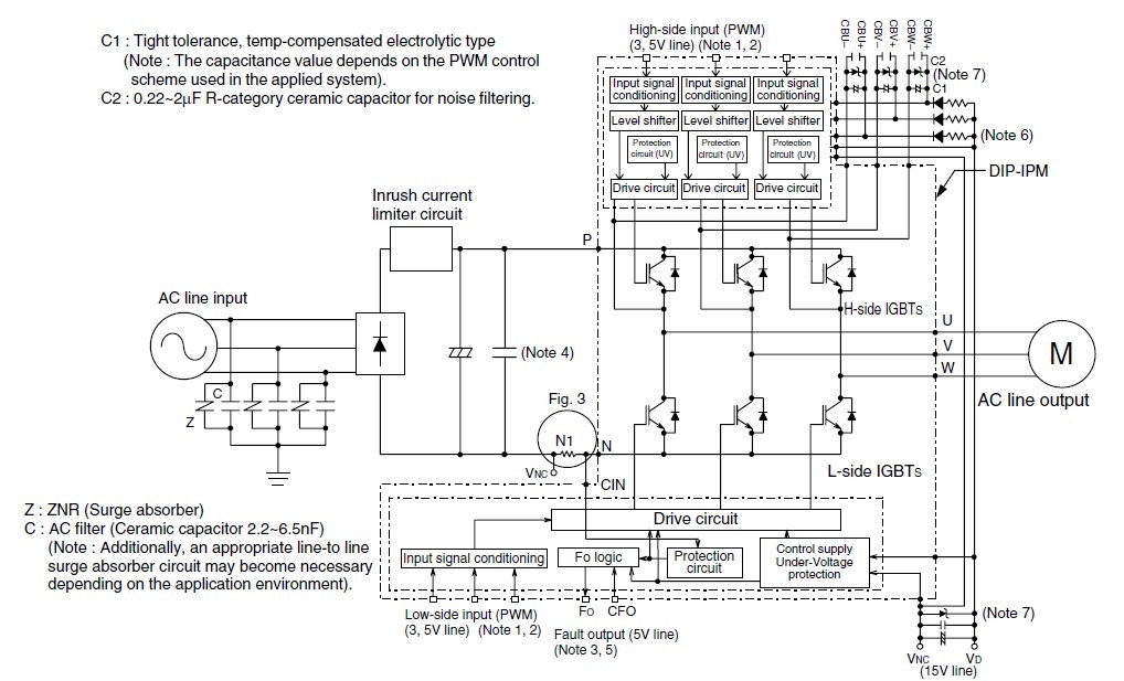
The PS21869-AP is a 600V/50A CSTBT inverter bridge for three phase DC-to-AC power conversion. It can be used in AC100V~200V inverter drive for small power motor control.
Parametrics
PS21869-AP absolute maximum ratings: (1)VCC Supply voltage: 450V; (2)VCC(surge) Supply voltage (surge): 500V; (3)VCES Collector-emitter voltage: 600V; (4)±IC Each IGBT collector current: 50A; (5)±ICP Each IGBT collector current (peak): 100A; (6)PC Collector dissipation: 70.4W; (7)Tj Junction temperature: -20~+125℃.
Features
PS21869-AP features: (1)For upper-leg IGBTS: Drive circuit, High voltage isolated high-speed level shifting, Control supply under-voltage (UV) protection; (2)For lower-leg IGBTS: Drive circuit, Control supply under-voltage protection (UV), Short circuit protection (SC); (3)Fault signaling : Corresponding to an SC fault (Lower-leg IGBT) or a UV fault (Lower-side supply); (4)Input interface: 3, 5V line CMOS/TTL compatible. (High Active).
Diagrams

![]()  | 
                            ![]() PS21204  | 
                            ![]() Other  | 
                            ![]()  | 
                            ![]() Data Sheet  | 
                            ![]() Negotiable  | 
                            
                            	 | 
                      ||||
![]()  | 
                            ![]() PS21205  | 
                            ![]() Other  | 
                            ![]()  | 
                            ![]() Data Sheet  | 
                            ![]() Negotiable  | 
                            
                            	 | 
                      ||||
![]()  | 
                            ![]() PS21212  | 
                            ![]() Other  | 
                            ![]()  | 
                            ![]() Data Sheet  | 
                            ![]() Negotiable  | 
                            
                            	 | 
                      ||||
![]()  | 
                            ![]() PS21244-E  | 
                            ![]() Other  | 
                            ![]()  | 
                            ![]() Data Sheet  | 
                            ![]() Negotiable  | 
                            
                            	 | 
                      ||||
![]()  | 
                            ![]() PS21244-EP  | 
                            ![]()  | 
                            ![]() MOD IPM 600V 15A DIP  | 
                            ![]() Data Sheet  | 
                            ![]() Negotiable  | 
                            
                            	 | 
                      ||||
![]()  | 
                            ![]() PS21245-E  | 
                            ![]() Other  | 
                            ![]()  | 
                            ![]() Data Sheet  | 
                            ![]() Negotiable  | 
                            
                            	 | 
                      ||||
 (Hong Kong) 
                         
                        
                                    






