Product Summary
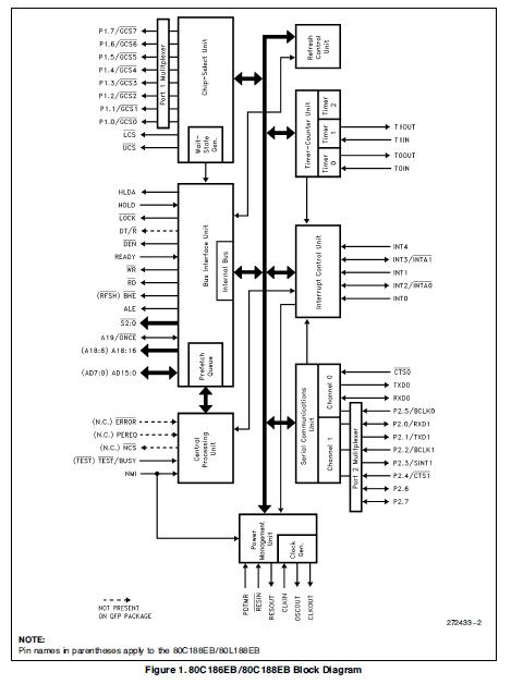
The TN80C188EB-20 is a low-power, high-integration microprocessor. It enhances the existing 186 family by offering new features and new operating modes. The TN80C188EB-20 is object code compatible with the 80C186XL/80C188XL microprocessors.
Parametrics
TN80C188EB-20 absolute maximum ratings: (1)Storage Temperature: -65℃ to +150℃; (2)Case Temp under Bias: -65℃ to +120℃; (3)Supply Voltage with Respect to VSS: -0.5V to + 6.5V; (4)Voltage on other Pins with Respect to VSS: -0.5V to VCC + 0.5V.
Features
TN80C188EB-20 features: (1)Integrated Feature Set: Low-Power Static CPU Core, Two Independent UARTs each with an Integral Baud Rate Generator, Two 8-Bit Multiplexed I/O Ports; (2)Direct Addressing Capability to 1 Mbyte Memory and 64 Kbyte I/O; (3)Speed Versions Available (5V): 13 MHz; (4)Available in Extended Temperature Range (-40℃ to +85℃); (5)Speed Versions Available (3V): 13 MHz; (6)Low-Power Operating Modes: Idle Mode Freezes CPU Clocks but keeps Peripherals Active, Powerdown Mode Freezes All; (7)Internal Clocks.
Diagrams

![]() |
![]() TN805 |
![]() Other |
![]() |
![]() Data Sheet |
![]() Negotiable |
|
||||||||||||||
![]() |
![]() TN805-600B |
![]() STMicroelectronics |
![]() SCRs 8.0 Amp 600 Volt |
![]() Data Sheet |
![]() Negotiable |
|
||||||||||||||
![]() |
![]() TN805-600B-TR |
![]() STMicroelectronics |
![]() SCRs 8.0 Amp 600 Volt |
![]() Data Sheet |
![]()
|
|
||||||||||||||
![]() |
![]() TN805-800B |
![]() STMicroelectronics |
![]() SCRs 8.0 Amp 800 Volt |
![]() Data Sheet |
![]() Negotiable |
|
||||||||||||||
![]() |
![]() TN805-600H |
![]() STMicroelectronics |
![]() SCRs 8.0 Amp 600 Volt |
![]() Data Sheet |
![]() Negotiable |
|
||||||||||||||
![]() |
![]() TN80960SA16 |
![]() |
![]() IC MPU I960SA 16MHZ 84-PLCC |
![]() Data Sheet |
![]()
|
|
||||||||||||||
(Hong Kong)









