Product Summary
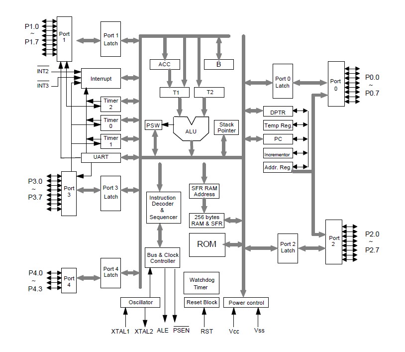
The W78E52BP-40 is an 8-bit microcontroller which can accommodate a wider frequency range with low power consumption. The instruction set for the W78E52BP-40 is fully compatible with the standard 8051. The W78E52BP-40 contains an 8K bytes MTP ROM (Multiple-Time Programmable ROM); a 256 bytes RAM; four 8-bit bi-directional and bit-addressable I/O ports; an additional 4-bit I/O port P4; three 16-bit timer/counters; a hardware watchdog timer and a serial port. The peripheral of the W78E52BP-40 is supported by eight sources two-level interrupt capability. To facilitate programming and verification, the MTP-ROM inside the W78E52BP-40 allows the program memory to be programmed and read electronically. Once the code of the W78E52BP-40 is confirmed, the user can protect the code for security. The W78E52BP-40 microcontroller has two power reduction modes, idle mode and power-down mode, both of which are software selectable. The idle mode turns off the processor clock but allows for continued peripheral operation. The power-down mode stops the crystal oscillator for minimum power consumption. The external clock of the W78E52BP-40 can be stopped at any time and in any state without affecting the processor.
Parametrics
W78E52BP-40 absolute maximum ratings: (1)block diagramDC Power Supply VDD-VSS: -0.3 +7.0 V; (2)Input Voltage VIN VSS: -0.3 VDD +0.3 V; (3)Operating Temperature TA: 0 to 70 ℃; (4)Storage Temperature TST: -55 to +150 ℃.
Features
W78E52BP-40 features: (1)Fully static design 8-bit CMOS microcontroller; (2)Wide supply voltage of 4.5V to 5.5V; (3)256 bytes of on-chip scratchpad RAM; (4)8 KB electrically erasable/programmable MTP-ROM; (5)64 KB program memory address space; (6)64 KB data memory address space; (7)Four 8-bit bi-directional ports; (8)One extra 4-bit bit-addressable I/O port, additional INT2 / INT3 (available on 44-pin PLCC/QFP package); (9)Three 16-bit timer/counters; (10)One full duplex serial port(UART); (11)Watchdog Timer; (12)Eight sources, two-level interrupt capability; (13)EMI reduction mode; (14)Built-in power management; (15)Code protection mechanism.
Diagrams
.
![]() |
![]() W78E051B40DL |
![]() |
![]() IC MCU 8-BIT 4K FLASH 40-DIP |
![]() Data Sheet |
![]() Negotiable |
|
||||
![]() |
![]() W78E051B40FL |
![]() |
![]() IC MCU 8-BIT 4K FLASH 44-PQFP |
![]() Data Sheet |
![]() Negotiable |
|
||||
![]() |
![]() W78E051B40PL |
![]() |
![]() IC MCU 8-BIT 4K FLASH 44-PLCC |
![]() Data Sheet |
![]() Negotiable |
|
||||
![]() |
![]() W78E051C |
![]() Other |
![]() |
![]() Data Sheet |
![]() Negotiable |
|
||||
![]() |
![]() W78E051C40DL |
![]() |
![]() IC MCU 8-BIT 4K FLASH 40-DIP |
![]() Data Sheet |
![]() Negotiable |
|
||||
![]() |
![]() W78E051C40FL |
![]() |
![]() IC MCU 8-BIT 4K FLASH 44-PQFP |
![]() Data Sheet |
![]() Negotiable |
|
||||
(Hong Kong)








