Product Summary
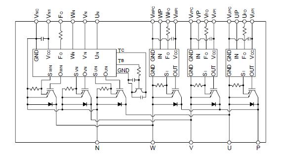
The PM15CSJ060 Mitsubishi Intelligent Power Module is a isolated base module, which is designed for power switching applications operating at frequencies to 20kHz. Built-in control circuits provide optimum gate drive and protection for the IGBT and free-wheel diode power devices. The applications of the PM15CSJ060 include Inverters, UPS, Motion/Servo Control, Power Supplies.
Parametrics
PM15CSJ060 absolute maximum ratings: (1)Power Device Junction Temperature: -20 to 150 ℃; (2)Storage Temperature: -40 to 125 ℃; (3)Case Operating Temperature: -20 to 100 ℃; (4)Mounting Torque, M4 Mounting Screws: 0.98 ~ 1.47 N·m; (5)Module Weight (Typical): 60 Grams; (6)Supply Voltage Protected by OC and SC (VD = 13.5 - 16.5V, Inverter Part): 400 Volts; (7)Isolation Voltage (Main Terminal to Baseplate, AC 1 min.): 2500 Vrms.
Features
PM15CSJ060 features: (1)Complete Output Power Circuit; (2)Gate Drive Circuit; (3)Protection Logic: Short Circuit, Over Current, Over Temperature, Under Voltage.
Diagrams

| Image | Part No | Mfg | Description |  | Pricing (USD) | Quantity | ||||||
|---|---|---|---|---|---|---|---|---|---|---|---|---|
|  |  PM15CSJ060 |  |  MOD IPM 6PAC 600V 15A |  Data Sheet |  Negotiable |  | ||||||
| Image | Part No | Mfg | Description |  | Pricing (USD) | Quantity | ||||||
|  |  PM150CBS060 |  Other |  |  Data Sheet |  Negotiable |  | ||||||
|  |  PM150CL1A060 |  Other |  |  Data Sheet |  Negotiable |  | ||||||
|  |  PM150CL1A120 |  Other |  |  Data Sheet |  Negotiable |  | ||||||
|  |  PM150CL1B060 |  Other |  |  Data Sheet |  Negotiable |  | ||||||
|  |  PM150CLA060 |  |  MOD IPM L-SER 6PAC 600V 150A |  Data Sheet |  
 |  | ||||||
|  |  PM150CLA120 |  |  MOD IPM L-SER 6PAC 1200V 150A |  Data Sheet |  
 |  | ||||||
 (Hong Kong)
 (Hong Kong) 
                         
                        
 
                                    




