Product Summary
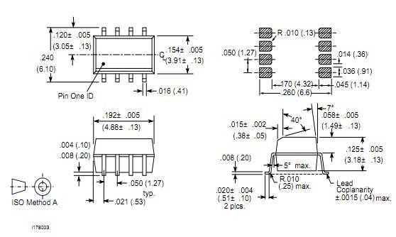
The SFH6720T is a single channel 5.0 Mb/s high speed optocoupler. It consists of a GaAlAs infrared emitting diode, optically coupled with an integrated photo detector. The detector incorporates a Schmitt-Trigger stage for improved noise immunity. A Faraday shield provides a common mode transient immunity of 1000 V/μs at VCM = 50 V for SFH6720T. The SFH6720T uses an industry standard SOIC-8A package.
Parametrics
SFH6720T absolute maximum ratings: (1)Reverse voltage VR: 3.0 V; (2)DC Forward current: IF 10 mA; (3)Surge forward IFSM: 1.0 A; (4)Power dissipation Pdiss: 20 mW; (5)Supply voltage VCC: - 0.5 to + 15 V; (6)Output voltage VO: - 0.5 to + 15 V; (7)Average output current IO: 25 mA; (8)Power dissipation Pdiss: 100 mW.
Features
SFH6720T features: (1)Data Rate 5.0 Mb/s (2.5 Mb/s over Temperature); (2)Buffer; (3)Isolation Test Voltage, 3000 VRMS for 1.0 s; (4)TTL, LSTTL and CMOS Compatible; (5)Internal Shield for Very High Common Mode Transient Immunity; (6)Wide Supply Voltage Range (4.5 to 15 V); (7)Low Input Current (1.6 mA to 5.0 mA); (8)Specified from 0℃ to 85℃.
Diagrams

| Image | Part No | Mfg | Description |  | Pricing (USD) | Quantity | ||||||||||||
|---|---|---|---|---|---|---|---|---|---|---|---|---|---|---|---|---|---|---|
|  |  SFH6720T |  Vishay Semiconductors |  High Speed Optocouplers 5Mbd Open Collector Single Channel |  Data Sheet |  
 |  | ||||||||||||
| Image | Part No | Mfg | Description |  | Pricing (USD) | Quantity | ||||||||||||
|  |  SFH600 |  Other |  |  Data Sheet |  Negotiable |  | ||||||||||||
|  |  SFH600-0 |  Vishay Semiconductors |  Transistor Output Optocouplers Phototransistor Out Single CTR > 40-80% |  Data Sheet |  
 |  | ||||||||||||
|  |  SFH600-0X001 |  Vishay Semiconductors |  Transistor Output Optocouplers Phototransistor Out Single CTR > 40-80% |  Data Sheet |  
 |  | ||||||||||||
|  |  SFH600-0X007 |  Vishay Semiconductors |  Transistor Output Optocouplers Phototransistor Out Single CTR > 40-80% |  Data Sheet |  
 |  | ||||||||||||
|  |  SFH600-0X007T |  Vishay Semiconductors |  Transistor Output Optocouplers Phototransistor Out Single CTR > 40-80% |  Data Sheet |  
 |  | ||||||||||||
|  |  SFH600-1 |  Vishay Semiconductors |  Transistor Output Optocouplers Phototransistor Out Single CTR 63-125% |  Data Sheet |  
 |  | ||||||||||||
 (Hong Kong)
 (Hong Kong) 
                         
                        
 
                                    




