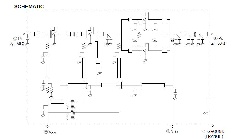
Product Summary
The S-AV36 is an OFM RF power amplifier module for VHF band.
Parametrics
S-AV36 absolute maximum ratings: (1)DC Supply Voltage, VDD: 16.5 V when VGG =0V, Pi =0mW; (2)DC Supply Voltage, VDD: 16.5 V when VGG≦5V, Pi =50mW, Po≦60W; (3)DC Supply Voltage, VGG: 5.5 V when VDD≦12.5V, Pi =50mW; (4)Total Current, IT: 15 A when VDD≦12.5V, Pi =50mW; (5)Input Power, Pi: 100 mW when VDD≦12.5V, VGG≦5V; (6)Output Power, Po: 90 W when 12.5V< VDD≦16.5V, VGG≦5V, Pi =50mW; (7)Operating Case Temperature Range, Tc (opr): -30~100℃ when VGG≦5V; (8)Storage Temperature Range, Tstg: -40~110℃.
Features
S-AV36 features: (1)output Power: 80W (Min.); (2)power Gain: 32.0dB (Min.); (3)total Efficiency: 45% (Min.).
Diagrams

![]() |
![]() S-AV10H |
![]() Other |
![]() |
![]() Data Sheet |
![]() Negotiable |
|
||||
![]() |
![]() S-AV10L |
![]() Other |
![]() |
![]() Data Sheet |
![]() Negotiable |
|
||||
![]() |
![]() S-AV17 |
![]() Other |
![]() |
![]() Data Sheet |
![]() Negotiable |
|
||||
![]() |
![]() S-AV23AL |
![]() Other |
![]() |
![]() Data Sheet |
![]() Negotiable |
|
||||
![]() |
![]() S-AV28 |
![]() Other |
![]() |
![]() Data Sheet |
![]() Negotiable |
|
||||
![]() |
![]() S-AV30H |
![]() Other |
![]() |
![]() Data Sheet |
![]() Negotiable |
|
||||
(Hong Kong)








