Product Summary
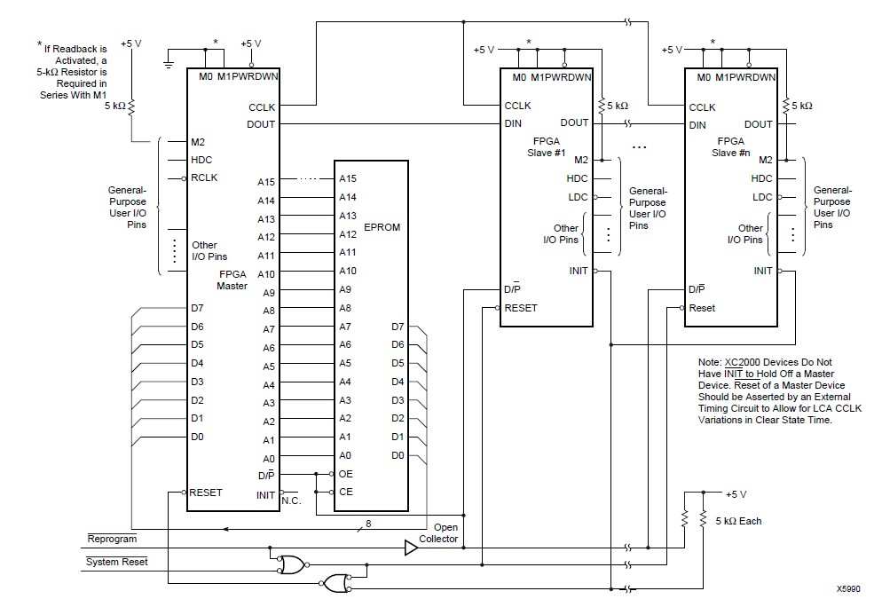
Field Programmable Gate Array (FPGA) XC3142A-3TQ144C provides a group of high-performance, high-density, digital integrated circuits. Its regular, extendable, flexible, user-programmable array architecture is composed of a configuration program store plus three types of configurable elements: a perimeter of I/O Blocks (IOBs), a core array of Configurable Logic Bocks (CLBs) and resources for interconnection. The development system of the XC3142A-3TQ144C provides schematic capture and auto place-and-route for design entry. Logic and timing simulation, and in-circuit emulation of the XC3142A-3TQ144C are available as design verification alternatives. The design editor is used for interactive design optimization, and to compile the data pattern that represents the configuration program.
Parametrics
XC3142A-3TQ144C absolute maximum ratings: (1)VCC Supply voltage relative to GND: –0.5 to +7.0 V; (2)VIN Input voltage with respect to GND: –0.5 to VCC +0.5 V; (3)VTS Voltage applied to 3-state output: –0.5 to VCC +0.5 V; (4)TSTG Storage temperature (ambient): –65 to +150 ℃; (5)TSOL Maximum soldering temperature (10 s @ 1/16 in.): +260 ℃; (6)TJ; (7)Junction temperature plastic: +125 ℃; (8)Junction temperature ceramic: +150 ℃.
Features
XC3142A-3TQ144C features: (1)Complete line of four related Field Programmable Gate Array product families; (2)?Ideal for a wide range of custom VLSI design tasks; (3)High-performance CMOS static memory technology; (4)Flexible FPGA architecture; (5)Unlimited reprogrammability; (6)Extensive packaging options; (7)Ready for volume production; (8)Complete Development System.
Diagrams

![]() |
![]() XC31 |
![]() Other |
![]() |
![]() Data Sheet |
![]() Negotiable |
|
||||
![]() |
![]() XC3100 |
![]() Other |
![]() |
![]() Data Sheet |
![]() Negotiable |
|
||||
![]() |
![]() XC3100A |
![]() Other |
![]() |
![]() Data Sheet |
![]() Negotiable |
|
||||
![]() |
![]() XC3100L |
![]() Other |
![]() |
![]() Data Sheet |
![]() Negotiable |
|
||||
![]() |
![]() XC3120A-3PC68C |
![]() |
![]() IC LOGIC CL ARRAY 2000GAT 68PLCC |
![]() Data Sheet |
![]() Negotiable |
|
||||
![]() |
![]() XC3130A-3PC84C |
![]() |
![]() IC LOGIC CL ARRAY 3000GAT 84PLCC |
![]() Data Sheet |
![]() Negotiable |
|
||||
(Hong Kong)








