Product Summary
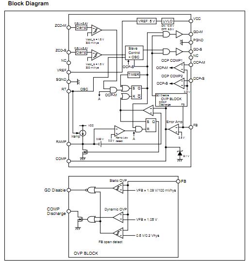
The R2A20112SP is a Critical Conduction Mode Interleaved PFC Control IC. The device controls a boost converter to provide a active power factor correction. The R2A20112SP adopts critical conduction mode for power factor correction and realizes high efficiency and a low switching noise by zero current switching. Interleaving function improve ripple current on input or output capacitor by 180 degrees phase shift. The feedback loop open detection, two mode overvoltage protection, overcurrent protection are built in the R2A20112SP, and can constitute a power supply system of high reliability with few external parts.
Parametrics
R2A20112SP absolute maximum ratings: (1)Supply voltage, Vcc: –0.3 to 24 V; (2)GD-M Peak current, Ipk-gdm: ±200 mA; (3)GD-M DC current, Idc-gdm: ±10 mA; (4)GD-S Peak current, Ipk-gds: ±200 mA; (5)GD-S DC current, Idc-gds: ±10 mA; (6)ZCD terminal current, Izcd: ±10 mA; (7)RT terminal current, Irt: –200 μA; (8)Vref terminal current, Iref: –5 mA; (9)COMP terminal current, Icomp: ±1 mA; (10)Terminal voltage, Vt-group1: –0.3 to Vcc; Vt-group: –0.3 to Vref; (11)Vref terminal voltage, Vt-ref: –0.3 to Vref+0.3 V; (12)Power dissipation, Pt: 1 W; (13)Operating junction temperature, Tj-opr: –40 to +150℃; (14)Storage temperature, Tstg: –55 to +150℃.
Features
R2A20112SP features: (1)Supply voltage Vcc: 24 V; (2)Operating junction temperature Tjopr: –40 to +150℃; (3)VREF output voltage VREF: 5.0 V ± 3%; (4)UVLO operation start voltage VH: 10.5 V ± 0.7 V; (5)UVLO operation shutdown voltage VL: 9.3 V ± 0.5 V; (6)UVLO hysteresis voltage Hysuvl: 1.2 V ± 0.5 V; (7)Boost converter control with critical conduction mode; (8)Interleaving control; (9)Two mode overvoltage protection: Mode1: Dynamic OVP corresponding to a voltage rise by load change; Mode2: Static OVP corresponding to overvoltage in stable; (10)Feedback loop open detection; (11)Master and Slave independence overcurrent protection; (12)280 μs restart timer; (13)Package lineup: Pb-free SOP-16/DILP-16.
Diagrams

(Hong Kong)






